Заказчик КГУ «Управление автодорог по Красноярскому краю», г. Красноярск
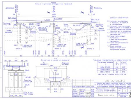
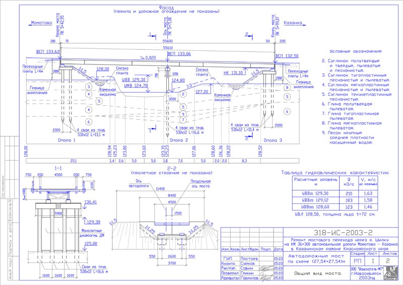
Проектной документацией предусматривалось строительство нового моста по схеме (27,54+27,54)м. Габарит Г-4,5+2×0,75м. Опоры безростверковые на забивных сваях из стальных труб Ø530×12мм. Пролётное строение индивидуальной проектировки, металлическое, неразрезное, из двух б/у двутавровых балок, объединённых связями. Проезжая часть деревянная.
Проект реализован.


